Taille de conseil: 17*10cm
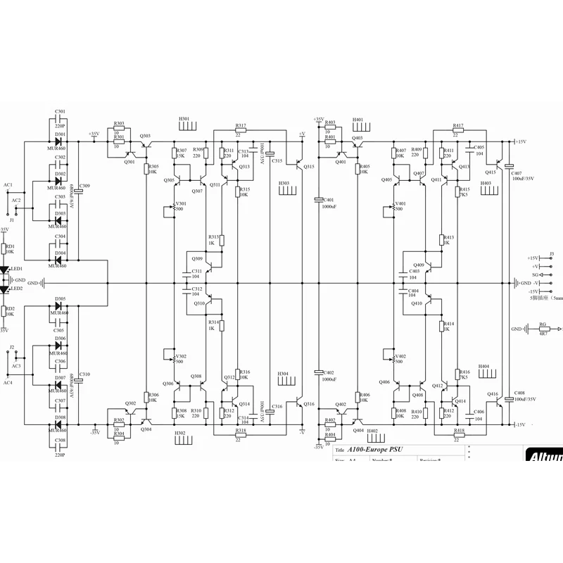
Tension d’entrée: AC double 24V, 4 fils
Tension de sortie: standard ± 24V, (± 18V ~ ± 36V) réglable, standard ± 15V (± 9V ~ ± 20V) réglable.
Chacune des quatre sorties est indépendante et la tension peut être ajustée.
Utilisation: pour l’alimentation de niveau de tension CD, DAC, pré-étage et post-étage, (Note: ne peut pas être pour l’alimentation de la tête optique et du moteur)
Remarque: l’alimentation régulée en parallèle de classe A ne peut pas fonctionner sans charge pendant une longue période.
La tension CC d’entrée doit être 6 ~ 12V supérieure à la tension CC de sortie; assurer une certaine différence de tension pour un meilleur effet.
Vous pouvez choisir un transformateur approprié en fonction de la valeur de tension de sortie.
Par exemple, si la tension de sortie par défaut est de ± 24V, la tension avant stabilisation de tension doit être de ± 30V ~ ± 36V.
Ainsi, la tension alternative du transformateur doit être (± 30V ~ ± 36V)/1.4 = 22 ~ 26V.
Afin d’obtenir la meilleure qualité sonore, cette alimentation n’a pas de circuit de rétroaction négative, de sorte que la valeur de la tension baissera à mesure que la température augmente. Il est parfaitement bien pour les circuits numériques et audio;
L’avantage de l’alimentation régulée de classe A est de rechercher le meilleur du son.
Taille de conseil: 17*10cm
Tension d’entrée: AC double 24V, 4 fils
Tension de sortie: standard ± 24V, (± 18V ~ ± 36V) réglable, standard ± 15V (± 9V ~ ± 20V) réglable.
Chacune des quatre sorties est indépendante et la tension peut être ajustée.
Utilisation: pour l’alimentation de niveau de tension CD, DAC, pré-étage et post-étage, (Note: ne peut pas être pour l’alimentation de la tête optique et du moteur)
Remarque: l’alimentation régulée en parallèle de classe A ne peut pas fonctionner sans charge pendant une longue période.
La tension CC d’entrée doit être 6 ~ 12V supérieure à la tension CC de sortie; assurer une certaine différence de tension pour un meilleur effet.
Vous pouvez choisir un transformateur approprié en fonction de la valeur de tension de sortie.
Par exemple, si la tension de sortie par défaut est de ± 24V, la tension avant stabilisation de tension doit être de ± 30V ~ ± 36V.
Ainsi, la tension alternative du transformateur doit être (± 30V ~ ± 36V)/1.4 = 22 ~ 26V.
Afin d’obtenir la meilleure qualité sonore, cette alimentation n’a pas de circuit de rétroaction négative, de sorte que la valeur de la tension baissera à mesure que la température augmente. Il est parfaitement bien pour les circuits numériques et audio;
L’avantage de l’alimentation régulée de classe A est de rechercher le meilleur du son.






🔧 Caractéristiques techniques:
- Nom de marque: CHANGELIN
- Produit chimique à haute préoccupation: Aucun
- Origine: CN (Origine)
📦 Informations de livraison:
- Poids: 0.200 kg
- Dimensions: 12x12x8 cm
⏱️ Délai de livraison estimé: 7 jours








Avis
Il n’y a pas encore d’avis.